
一客户采用电磁铁去吸附一根直径40mm的小圆棒,下方有50KG的负载,现在他们吸不住,问我们电永磁铁有没有办法。
|
|
我们看到客户发过来的磁铁外形后,经技术分析后,就两个字,没问题。
该客户有以下需求。
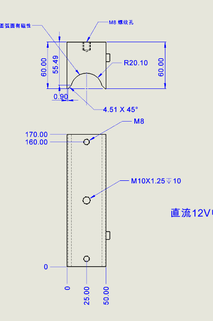
1. 我设备已经定型,除了宽度方向可以变动,其他位置不能改变。
2. 设备小圆棒下方吸附了50KG的产品,吸力一定要保证。
3. 可以增加蓄电池来供电,目前是车载12V直流供电,可以用自带的蓄电池供电。
悍威磁电经过技术讨论研究,用60V直流可以满足以上工况需求。
1. 大直流电可以使大的磁极,这样方便装夹。
2. 增加充退磁次数。
3. 有成熟的产品验证。
那么通过该自动化的应用电永磁的优势体现在以下方面。
1.无需供电系统吧,电永磁蓄电池自带电源,充满可以充退磁500次以上。
2.电永磁铁可以完美的替代电磁铁,使用性能更好。
3.电永磁断电不失磁,在长时间抓取更有优势。
4.自动化机械手磁力吸盘吸取工件时,只需要吸取工件表面,且不会造成工件划痕。这是对产品的保护体现。
悍威磁电最终的技术方案可以以小于客户的体积来制作,还可以以客户同样的体积来制作,这样提升设备的空间利用率,终端对整体设备的形象都有很大改观。
株洲悍威磁电以服务赢得尊重,以专业树立权威,将一如既往的助力智能化车间的建设与改造。